Is there a wiring diagram for the OPLITE?
Factory Purple Line schematics for 7-pin hookup, chassis/trailer lighting, external lighting, and combined interior 12V/110V systems
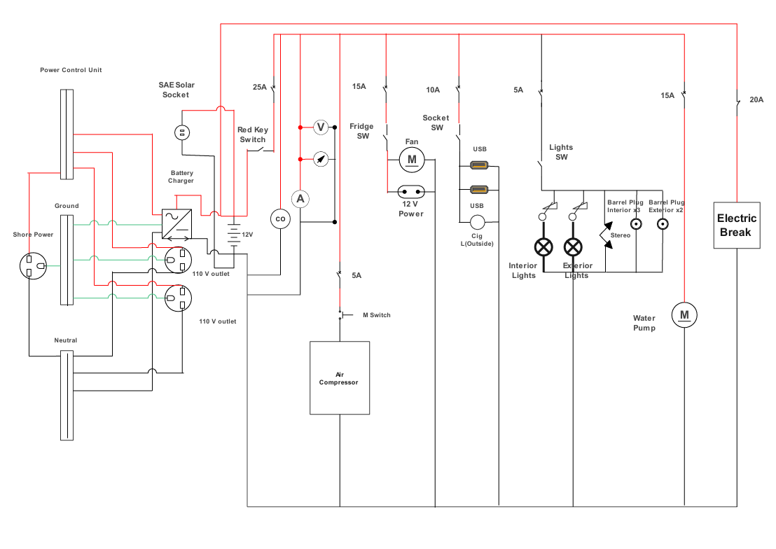
Overview The Opus OP LITE electrical system follows Purple Line design, compliant with NFPA 1192, FMVSS 571, SAE J560, SAE J1889, and FMVSS 108. Wiring uses copper conductors insulated with T90 nylon 75 °C. Diagrams cover:
- 7-pin vehicle hookup and external trailer lighting
- Chassis breakaway and auxiliary charging circuits
- Interior combined 12V DC and 110V AC wiring (solar controller, inverter, battery charger, compressor, fridge socket, water pumps, LED lighting, heater pads, USB outlets)
High-resolution versions are available in the OP LITE Owner’s Manual on the Opus Owner Portal. Any modification requires a certified RV technician to maintain warranty and safety compliance.
Key Diagram Summaries
7-Pin Hookup & External Trailer Lighting
- 7-pin flat connector pinout:
- Brown (BR 10 GA): Right turn + brake lights
- Red (R 10 GA): Left turn + brake lights
- Green (GR 14 GA): Tail/marker lights
- Yellow (Y 14 GA): Auxiliary 12V power/charging
- White (W 10 GA): Ground
- Black (BLK 14 GA): Brakes (breakaway circuit)
- Blue (BL 14 GA): Electric brakes
- External lighting: Front markers (amber), side markers (amber), rear tail/turn/brake (red), license plate light.
- Breakaway switch interrupts brake power on disconnect.
- Wires routed through frame to 7-pin junction box and fixtures; compliant with SAE J560 and FMVSS 108.
Interior 12V & 110V Combined Wiring
- Marine master switch isolates battery input.
- 12V circuits include:
- LED lighting (side kitchen, handle, front/rear map, L-room, toolbox, bed fans)
- Water pumps (WP1/WP2, 10 A)
- Fridge socket (15 A)
- Stereo (5 A), TV fan (5 A), toilet vent fan (1 A)
- USB outlets, compressor, fan switch, momentary switches, dependent resistors
- Heater pads (via AC heater switch feed)
- 110V AC circuits:
- Shore power inlet → transfer switch → battery charger → GFCI outlets
- Inverter (where equipped) feeds select 110V outlets
- Solar panels → 40 A controller → batteries
- Fuse/breaker ratings:
- Fridge socket: 15 A
- Water pumps: 10 A
- Lighting switches: 10 A
- Stereo/TV fan: 5 A
- Main battery input: 50 A (marine switch)
- Wire color legend:
- Black (BLK 10 GA): 110V live
- White (W 10 GA): 110V neutral / ground from battery
- Red (R 12 GA): 12V + from battery
- Blue (BL 12 GA light blue): Water pumps
- Yellow (Y 12 GA): Fridge socket + fan
- Green (GR 10 GA): Ground
- Brown (BR 12 GA pink): 12V outlet sockets
- Ground points: White/green wires to chassis.
- Additional: Battery voltage monitor, actuator backup battery (where equipped), solar input.
Troubleshooting Tips
- No 12V power: Verify marine switch ON, main 50 A fuse near batteries, breaker panel (under bed/galley).
- No shore power: Confirm transfer switch position, 30 A cord continuity, GFCI reset.
- Specific circuit failure: Check labeled fuse (e.g., pump only → 10 A WP fuse).
- Voltage checks: 12.6–14.4 V DC at batteries (charging/solar), 110–120 V AC at outlets when shore connected.
Safety Notes
- Disconnect shore power and battery negative before any inspection or work.
- Annual certified RV technician inspection required for warranty compliance.
- All non-current-carrying metal must remain grounded per code.
